DMX512协议
1.协议简介
DMX是Digital MultipleX的缩写,,,,,,意为多路数字传输。。。。。。。DMX512 控制协议是美国舞台灯光协会(USITT)于1990年宣布的灯光控制器与灯具装备举行数据传输的工业标准 ,,,,,,全称是 USITT DMX512(1990) ,,,,,,包括电气特征、 数据协议、 数据名堂等方面的内容。。。。。。。
2.电气特征和物理层
2.1.电气特征
DMX512接纳EIA-485标准。。。。。。。
发送端:逻辑“1”以两线间压差+(2~6)V体现;;;;;;;
逻辑“0”以两线间压差为-(2~6)V体现;;;;;;;
吸收端:A比B高200mv以上即以为是逻辑“1”;;;;;;;
A比B低200mv以上即以为是逻辑“0”。。。。。。。
2.2.拓扑结构
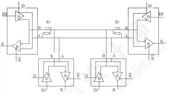
如图1所示为EIA-485电路拓扑结构,,,,,,一条EIA-485数据链路包括一个差分线驱动装备(D)和多个差分吸收终端(R)。。。。。。。

图1基于485的 DMX512拓扑结构
2.3.DMX512 端口及数据链路
由于是接纳485差分信号传输,,,,,,因此DMX512端口一样平常接纳3针或5针接口,,,,,,相对应的导线则为1对或2对双绞线,,,,,,导线同时应接纳箔片或编织筛包裹。。。。。。。XLR针口分派如下表1所示,,,,,,其中辅助数据链路可以不必。。。。。。。
作用 | 标准中针的界说 | DMX512功效 |
公共地 | 1 | 屏障地 |
主要数据链路 | 2(黑) | 数据1- |
3(白) | 数据1+ | |
辅助数据链路 | 4(绿) | 数据2- |
5(红) | 数据2+ |
表1 DMX512端口信号分派
基于EIA-485传输距离理论上可以抵达1200m,,,,,,建议控制在800m以内,,,,,,若要加长传输距离,,,,,,则需思量中继器。。。。。。。DMX512数据链路的终接方法应消除信号环路和信号反射,,,,,,不然可能导致准确设计的系统泛起误操作。。。。。。。接纳结终端电阻的方法可以消除信号反射,,,,,,DMX512标准要求,,,,,,终端电阻应安排在数据+和数据-信号针之间,,,,,,阻抗规模120Ω+5%~120Ω-10%。。。。。。。
DMX512协议是一种基于主从式的协议,,,,,,能够顺应一对多的灯光控制系统。。。。。。。该协议虽然能把差别厂家产品毗连起来并实验控制,,,,,,但由于只能单向传输,,,,,,控制台与被控装备之间无法实现真正的信息交互,,,,,,被控装备只能被动地吸收控制台的控制信息,,,,,,被控装备自身的状态信息不可反响到控制台。。。。。。。该协议要求控制台必需提前为被控制装备分派好地点,,,,,,以便被控制装备能够准确无误地吸收控制指令。。。。。。。但由于信息帧结构中没有传输地点,,,,,,因此若是某一帧信号由于滋扰等缘故原由导致在传输中泛起过失,,,,,,那么此帧后面的所有信息均将泛起误传,,,,,,同时信息蜕化伍,,,,,,灯具不可回馈蜕化信息,,,,,,这是限制基于DMX512协议的装备生长的主要缘故原由。。。。。。。